Wunderschöne Schaltplan Zeichnen Regeln Bilder

Wunderschöne Schaltplan Zeichnen Regeln Bilder. Die darstellung der elemente ist genormt. Proficad tutorial, klemmen, klemmenplan und kleimmleisten, zeichnen, ändern, speichern schaltplan freeware im test, elektroplanung vorstellung. Schaltpläne werden also im leeren bzw.

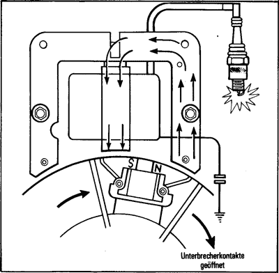
Schaltplan Magnetzundung - Wiring Diagram
Schaltplan Magnetzundung - Wiring Diagram from www.motoruf.de
Klassenarbeiten mit musterlösung zum thema schaltplan, elektrizitätslehre. In der regel weist die software sie darauf hin, falls sie. Proficad tutorial, klemmen, klemmenplan und kleimmleisten, zeichnen, ändern, speichern schaltplan freeware im test, elektroplanung vorstellung. Leiterverbindungen werden durch dicke, schwarze punkte markiert. Heute bei uns im schaltplan elektro abc: Schaltplan ist ihr spezialist für die individuelle planung und umsetzung ihrer schaltanlage.

Ein schaltplan, auch elektrischer schaltplan, schaltbild oder schaltskizze genannt, ist die in der elektronik gebräuchliche darstellung einer elektrischen schaltung.

Zeichnen sie schaltpläne online mit lucidchart. › in der kategorie schaltplan stellen wir einige professionelle helfer zum zeichnen elektrischer schaltpläne und verwandter technischer dokumentationen zur verfügung. Sie berücksichtigt nicht die reale gestalt und anordnung der bauelemente. Proficad tutorial, klemmen, klemmenplan und kleimmleisten, zeichnen, ändern, speichern schaltplan freeware im test, elektroplanung vorstellung. Schaltpläne sind nicht alle handgemalt und benutzen dann nur zufällig alle die gleichen symbole. Ein fachlehrer, der dieses kapitel mit dem auflegen der folie eines komplexen. Hallo, ich muss einen relativ simplen schaltplan zeichen.so ein schütz sicherungen und ne sps sowies ein temperaturschaltgerät enthalten ist. Fügen sie über den dialog symbolauswahl ein weiteres symbol in den schaltplan ein, diesmal das symbol m3 mit der symbolnummer 62. Es hilft, sich schaltpläne anderer autoren anzuschauen, die ordentlich sind. Heutzutage gibt es dafür schaltkr.