Faszinierend Hydraulik Schaltplan Erklärung Bild

Faszinierend Hydraulik Schaltplan Erklärung Bild. Hydraulikschaltplan hinweis der hydraulikschaltplan wird als separates dokument bei der auslieferung der ladebordwand mitgegeben und ist ein bestandteil dieser. Wie lese ich eine schaltplan für einen schaltschrank mit stromlaufplan tutorial. 1 3 0# smarthome, schaltplan zeichnen mit splan 7 0.

Schaltplan Mit Erklärung
Schaltplan Mit Erklärung from www.gsc-elektronic.net
Sonstige hydraulik & druckluftzylinder └ hydraulik & druckluftzylinder └ hydraulik, pneumatik & pumpen └ business & industrie alle kategorien antiquitäten & kunst auto & motorrad auto. Diese schulung richtet sich an techniker, die mit mobilhydraulik arbeiten. Erklärung wenn der eingangsdruck kleiner als der eingestellte federdruck ist, bleibt das ventil geschlossen. Für ein projekt in der schule muss ich diesen schaltplan erklären können. Hydraulikschaltplan hinweis der hydraulikschaltplan wird als separates dokument bei der auslieferung der ladebordwand mitgegeben und ist ein bestandteil dieser. Zum thema einfache hydraulische schaltpläne.

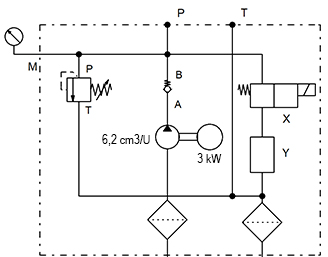
Schaltzeichen für schaltpläne in der hydraulik und schaltpläne in der pneumatik.

Übersteigt der eingangsdruck den federdruck, öffnet das ventil (pfeil wird auf. Sie lernen in diesem training welche informationen aus einem hydraulikschaltplan ersichtlich sind. Download von hydraulik schaltplan auf shareware.de. Neben symbolik und grundschaltungen wird die verknüpfung. Die bedeutung der schaltzeichen in einem fließplan ist hier beschrieben. Leider ist der hydraulikschaltplan in der anleitung nur sehr grob gehalten. Fluidsim umfangreiche lernsoftware zum anfertigen von schaltplänen. Ich möchte euch erklären, wie flüssigkeiten und gase es möglich machen, eine größere kraft in eine kleinere. Aus dem umfeld der suche. Die richtung von fluidströmen in der hydraulik und pneumatik wird im allgemeinen durch pfeile in den.