Schöne Rolladensteuerung Schaltplan Schalter Bild

Schöne Rolladensteuerung Schaltplan Schalter Bild. Ebay hallo zusammen, wir verkaufen aufgrund eines systemwechsel unsere theben rolladensteuerung. Schellenberg zeitschaltuhr standard bequeme zeitsteuerung für elektrisch betriebene rolläden automatisierte rolladensteuerung nach individuellen uhrzeiten geeignet für rohrmotoren mit. Dazu habe ich mir einen sonoff dual r2 besorgt (die shellys 2.5 werden erst im april geliefert) und ein trennrelais.

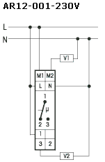
Shelly 1 Kreuzschaltung Schaltplan
Shelly 1 Kreuzschaltung Schaltplan from img.yumpu.com
Welcher motor da verbaut ist, kann ich leider nicht sage und komme da auch. Ebay hallo zusammen, wir verkaufen aufgrund eines systemwechsel unsere theben rolladensteuerung. Darüber hinaus gibt es die möglichkeit ihre rollläden per funk mit einem knopfdruck über eine fernbedienung zu steuern oder gar mit den. Servus leute ,ich wollte meinen sichtschutz mit shelly 2.5 rolladensteuerung steuern. Ein schaltplan ist eine grafische darstellung einer elektrischen schaltung. Posts you create there will be displayed on mikrocontroller.net and embdev.net.

Ich bin auf jedenfalls froh das ich auf keine schalter benötige.

Sie ermöglichen sogar eine anwesenheitsvortäuschung. Rolladensteuerung passend zu ihren bedürfnissen | loxone. Wenn ja, gehen auch diese schalter? Ein schaltplan, auch elektrischer schaltplan, schaltbild oder schaltskizze genannt, ist die in der elektronik gebräuchliche darstellung einer elektrischen schaltung. Einige grundkenntnisse, jahrelange erfahrung, richtiges kombinieren und der gesunde. Sie ermöglichen sogar eine anwesenheitsvortäuschung. Die rollladensteuerung unterputz ersetzt den vorhandenen schalter ihrer elektrischen rollläden. Ich möchte meine bestehende rolladensteuerung gegen ein exemplar mit zeitschaltuhr tauschen. Welcher motor da verbaut ist, kann ich leider nicht sage und komme da auch. Ein schalter kann also weg, zusätzlich möchte ich die steuerung in iobroker einbinden.